1
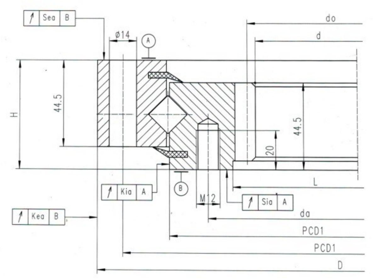
图纸
| 型号 | 主要尺寸(mm) | 旋转精度(mm) | 基本额定载荷(轴向) | 基本额定载荷(径向) | 质量 | |||||||||
| 内径d | 外径D | 宽度H | PCD1 | PCD2 | Kea | Kia | Sia | Sea | Ca(kN) | Coa(kN) | Cr(kN) | Cor(kN) | kg | |
| XSI 140544 | 444 | 614 | 56 | 590 | 505 | 0.07 | 0.07 | 0.04 | 0.04 | 270 | 680 | 170 | 330 | 43 |