1
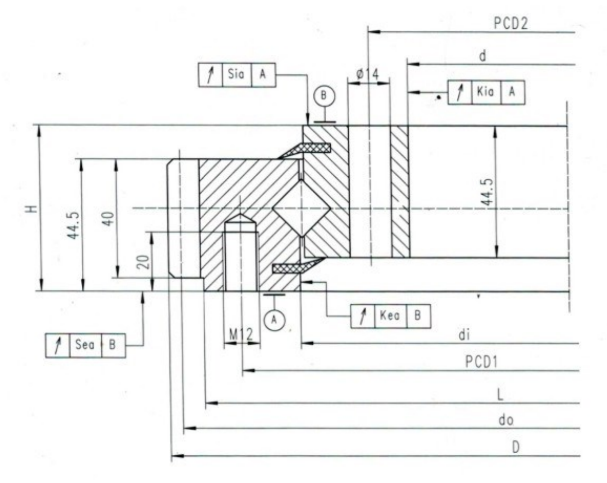
图纸
| 型号 | 主要尺寸(mm) | 旋转精度(mm) | 基本额定载荷(轴向) | 基本额定载荷(径向) | 质量 | |||||||||
| 内径d | 外径D | 宽度H | PCD1 | PCD2 | Kea | Kia | Sia | Sea | Ca(kN) | Coa(kN) | Cr(kN) | Cor(kN) | kg | |
| XSA 141094 | 1024 | 1198.1 | 56 | 1135 | 1048 | 0.11 | 0.11 | 0.07 | 0.07 | 390 | 1360 | 246 | 670 | 77 |