同康
首页
产品
交叉滚柱轴承
CRBT系列
CRBTF系列
CRBF系列
CRBH系列
CRBS系列
RA系列
RAU系列
RB系列
RU系列
RE系列
SX系列
XSU08系列
XSU14系列
XV系列
XSA系列
XSI系列
XU系列
XA系列
转盘轴承
减速器轴承
CSF系列
CSG系列
SHF系列
SHG系列
柔性轴承
RV系列
动态
行业资讯
产品新闻
公司新闻
关于同康
关于我们
联系我们
加入我们
XA240574N
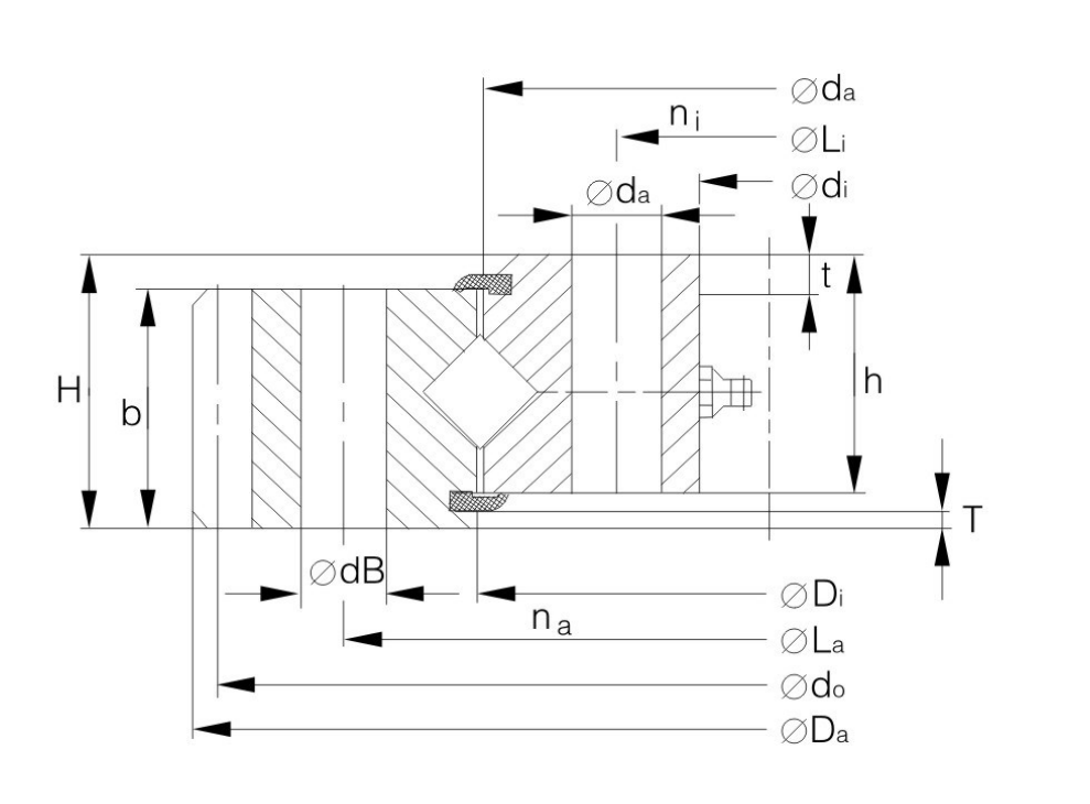
参数
细节图
图纸
参数
型号
主要尺寸(mm)
齿轮参数
质量
Da
di
La
na
dB
Li
H
h
b
do
m
z
kg
XA240574N
695
480
640
18
18
508
77
42
42
685
5
137
84
1
关于我们
|
联系我们
|
加入我们
|